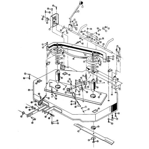
Westwood Gazelle W11, W11C, W11E Ride on tractor mower parts
suitable for 4 Stroke Engines as fitted to Lawn Mowers, Rotovators, Tillers, Water Pumps, Stationary Engines, Generators, Pressure Washers, Wacker Plates, Compactors, Cement Mixers and much more,
THE MORE YOU BUY THE MORE YOU SAVE !
NON STOCKED ITEM, SPECIAL ORDER, DELIVERY TIME 7 TO 10 DAYS !
This key fits the following Westwood Ride On Mower Models: W6, W6E, W6R, W8, W8C, W8E, W11, W11C, W11E, W16, W16E, D1200, S600, S600E, S600R, S800, S800E, S1000, S1100, S1200, S1300, S1300H, S1300 Deluxe, S1300 Agro-Trac, S1400, S1400H, S1500, S1500H, S1600, S1600H, T800, T1100, T1200, T1250, T1250H, T1300, T1300H, T1400, T1400H, T1500, T1500H, T1600, T1600H, T1800, T1800H, T2000, T2000H, V20/50, 1010, 1012, 1012H, 1013, 2012, 2012H, 2014, 2014H, 2018, 2018H, -------------------- THE ONLY MODEL YEARS THIS KEY DOES NOT FIT ARE T1400H, T1600H, T1800H PRODUCTION YEAR 1996 AND T1800H PRODUCTION YEAR 1997,

 
						         
						        











